アルミ製 押さえ金具 側面部用 35mm 30mm ソーラーパネル 架台用 取付金具 パネル用 [ASE-001]
アルミ製 押さえ金具 側面部用 35mm 30mm ソーラーパネル 架台用 取付金具 パネル用
[ASE-001]
販売価格: 380円~14,400円(税込)
オプションにより価格が変わる場合もあります。
商品詳細
ご購入前に会員登録をしていただきますと販売価格が法人向けの卸価格に変更されます。
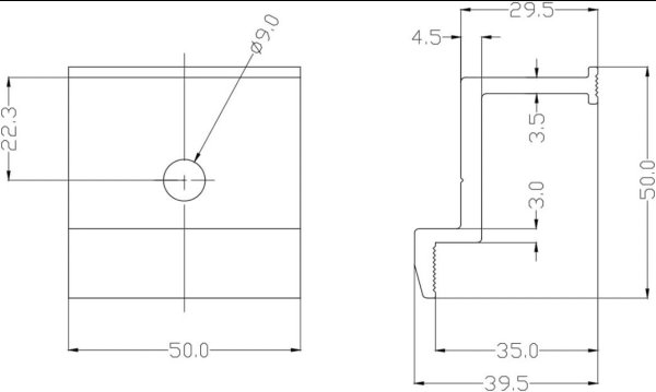
ソーラーパネル用 取付金具 ASE-001 30mm 35mm
下記の図は35mmのパネル用の取付金具です。ソーラーパネルとソーラーパネルの間の中間部分に使用する固定金具になります。
※50mmなども数量によっては販売できるケースがございますので一度、お問い合わせください。
35mmの詳細なサイズについては下記の画像をご確認ください。

商品詳細
| 送料について | 北海道・離島は別途送料がかかります |
|---|
Facebookコメント